员工登陆联系我们
  • 网站首页
  • 走进泽琛
  • 新闻资讯
  • 产品中心
  • 技术支持
  • 资料下载
  • 人力资源
  • 联系我们

泽琛简介

组织机构

泽琛新闻

行业相关

交流端子电源

交流针式电源

直流端子电源

直流针式电源

军用电池组

军用电池充电器

定制电源

U箱电源

标准砖电源

惯性导航

军品传感器

特殊材料

智能控制

交流端子电源

交流针式电源

直流端子电源

直流针式电源

军用电池组

军用电池充电器

定制电源

U箱电源

标准砖电源

惯性导航

军品传感器

特殊材料

智能控制

产品中心
  • 交流端子电源
  • 交流针式电源
  • 直流端子电源
  • 直流针式电源
  • 军用电池组
  • 军用电池充电器
  • 定制电源
  • U箱电源
  • U箱电源
  • 标准砖电源
  • 惯性导航
  • 军品传感器
  • 特殊材料
  • 智能控制
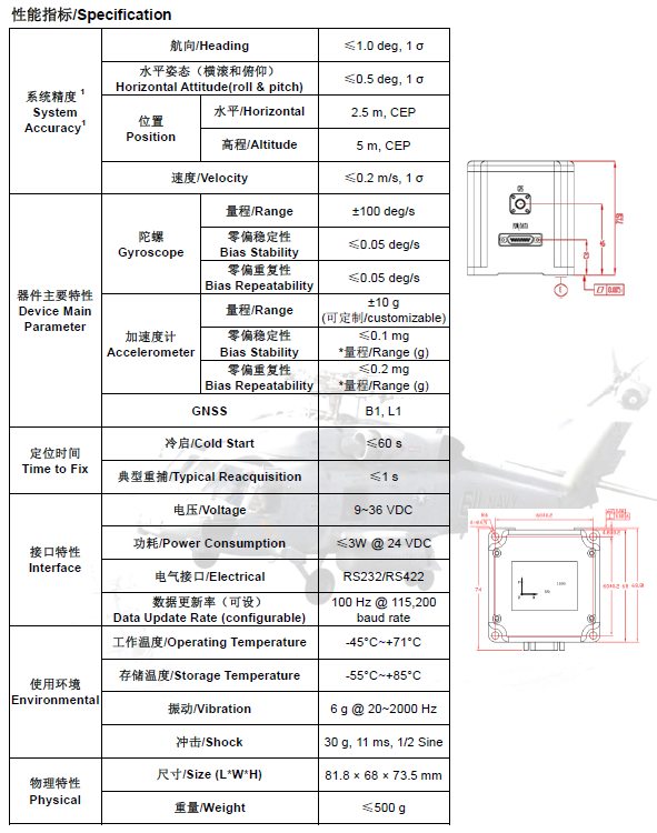
ZCZ100
关于我们 | 新闻动态 | 产品中心 | 技术支持 | 资料下载 | 联系我们 | 人力资源
版权所有 南京泽琛电子科技有限公司
苏ICP备14012722号